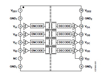
Product Summary
The ADUM2400CRWZ is a four-channel digital isolator based on Analog Devices iCoupler technology. Combining high speed CMOS and monolithic air core transformer technology, these isolation components provide outstanding performance characteristics superior to alternatives such as optocoupler devices. In comparison to the 2.5KV ADUM2400CRWZ product family, the ADUM2400CRWZ have increased insulation thickness to achieve the higher 5.0KV isolation rating. Applications are (1)general-purpose, high voltage, multichannel isolation; (2)medical equipment; (3)motor drives; (4)power supplies.
Parametrics
ADUM2400CRWZ absolute maximum ratings: (1)Storage Temperature TST: –65 to 150 °C; (2)Ambient Operating Temperature TA: –40 to 105 °C; (3)Supply Voltages1 VDD1, VDD2: –0.5 to 7.0 V; (4)Input Voltage1, 2 VIA, VIB, VIC, VID, VE1,VE2: –0.5 to VDDI + 0.5 V; (5)Output Voltage1, 2 VOA, VOB, VOC, VOD: –0.5 to VDDO + 0.5 V; (6)Average Output Current, Per Pin3 Side 1 IO1 –18: 18 mA, Side 2 IO2 –22: 22 mA; (7)Common-Mode Transients4 –100 to +100 kV/μs.
Features
ADUM2400CRWZ features: (1)Bidirectional communication; (2)3 V/5 V level translation; (3)High temperature operation: 105°C; (4)High data rate: DC–90 Mbps (NRZ); (5)Precise timing characteristics; (6)High common-mode transient immunity: > 25 kV/μs; (7)Output enable function; (8)Wide body SOIC 16-lead package; (9)Safety and regulatory approvals (pending).
Diagrams

| Image | Part No | Mfg | Description | ![]() |
Pricing (USD) |
Quantity | ||||||||||||||||
|---|---|---|---|---|---|---|---|---|---|---|---|---|---|---|---|---|---|---|---|---|---|---|
![]() |
![]() ADUM2400CRWZ |
![]() |
![]() IC ISOLATOR DIGITAL QUAD 16SOIC |
![]() Data Sheet |
![]()
|
|
||||||||||||||||
![]() |
![]() ADUM2400CRWZ-RL |
![]() |
![]() IC ISOLATOR DIGITAL QUAD 16SOIC |
![]() Data Sheet |
![]()
|
|
||||||||||||||||
(China (Mainland))









