Product Summary
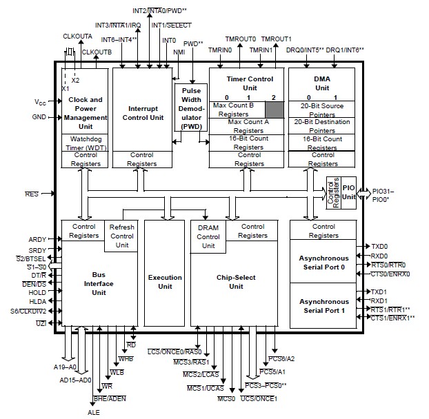
The AM186ED-40KC is an embedded microcontroller and microprocessor based on the x86 architecture. The AM186ED-40KC microcontroller is the ideal upgrade for 80C186/188 designs requiring 80C186/188 compatibility, increased performance, serial communications, a direct bus interface, and more than 64K of memory. The AM186ED-40KC microcontroller has been designed to meet the most common requirements of embedded products developed for the communications, office automation, mass storage, and general embedded markets. Specific applications include PBXs, multiplexers, modems, disk drives, hand-held and desktop terminals, fax machines, printers, photocopiers, and industrial controls.
Parametrics
AM186ED-40KC absolute maximum ratings: (1)Storage temperature: –65°C to +125°C; (2)Voltage on any pin with respect to ground: –0.5 V to Vcc +0.5 V; (3)ILO: ±10 mA; (4)CIN Input Capacitance @ 1 MHz: 10 pF; (5)CIO Output or I/O Capacitance @ 1 MHz: 20 pF.
Features
AM186ED-40KC features: (1)Programmable DRAM Controller; (2)High performance; (3)Enhanced features provide improved memory access and remove the requirement for a 2x clock input; (4)Software-compatible with the 80C186 and 80C188 microcontrollers with widely available native development tools, applications, and system software; (5)A compatible evolutioof the Am186EM, Am186ES, and Am186ER microcontrollers.
Diagrams

(China (Mainland))






