Product Summary
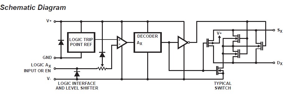
The MAX178BCNG is a CMOS Monolithic 16-Channel Analog Multiplexer, which can also be used as demultiplexer. An enable input is provided. When the enable input is high, a channel of the MAX178BCNG is selected by the address inputs, and when low, all channels are off. A channel in the ON state conducts current equally well in both directions. In the OFF state each channel blocks voltages up to the supply rails. The address inputs and the enable input are TTL and CMOS compatible over the full specified operating temperature range. The MAX178BCNG is pinout compatible with the industry standard device.
Parametrics
MAX178BCNG absolute maximum ratings: (1)V+ to V-: 44V; (2)V- to Ground: 25V; (3)Digital Inputs, VS, VD (Note 1): (V- -2V) To (V+ +2V); (4)Continuous Current, (Any Terminal Except S or D): 30mA; (5)Continuous Current, (S or D): 20mA; (6)Peak Current, S or D (Pulsed 1ms, 10% Duty Cycle Max): 40mA.
Features
MAX178BCNG features: (1)Low Power Consumption; (2)TTL and CMOS-Compatible Address and Enable Inputs; (3)44V Maximum Power Supply Rating; (4)High Latch-Up Immunity; (5)Break-Before-Make Switching; (6)Alternate Source.
Diagrams

| Image | Part No | Mfg | Description | ![]() |
Pricing (USD) |
Quantity | ||||||||||||
|---|---|---|---|---|---|---|---|---|---|---|---|---|---|---|---|---|---|---|
![]() |
![]() MAX178BCNG+ |
![]() Maxim Integrated Products |
![]() ADC (A/D Converters) 12-Bit 17ksps 5.25V Precision ADC |
![]() Data Sheet |
![]()
|
|
||||||||||||
![]() |
![]() MAX178BCNG |
![]() Maxim Integrated Products |
![]() ADC (A/D Converters) |
![]() Data Sheet |
![]() Negotiable |
|
||||||||||||
(China (Mainland))










