Product Summary
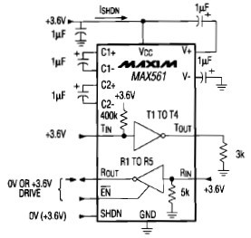
The MAX561CAI is a +3.3V transceiver with two EIA/TIA-562 receivers active in shutdown. It incudes four line drivers, five receivers, a shutdown mode, and a receiver-enable input. It is available in a standard 28-pin wide small outline (SO) package and a 28-pin shrink small outline package (SSOP). It is suitable for laptop computers, palmtop computers, notebook computers and battery-powered equipment.
Parametrics
Absolute maximum ratings: (1)VCC: -0.3V to +6V; (2)V+: (VCC-0.3V) to +14V; (3)V-: +0.3V to -14V; (4)input voltages, TIN: 0.3V to (VCC+0.3V); RIN: ±25V; (5)output voltages, TOUT: (V++0.3v) to (V--0.3V); ROUT: -0.3V to (VCC+0.3V); (6)operating temperature range: 0℃ to +70℃; (7)storage temperature range: -65℃ to +160℃; (8)lead temperature (soldering, 10sec): +300℃.
Features
Features: (1)2 receivers active in shutdown mode; (2)small 28-pin SSOP package-40% the area of SO package; (3)guaranteed interoperability with RS-232; (4)operate from a single +3.0V to +3.6V supply; (5)designed for EIA/TIA-562 applications; (6)4 drivers/5 recivers; (7)low-power shutdown; (8)three-state TTL/CMOS receiver outputs; (9)116kbits/sec data rate.
Diagrams

| Image | Part No | Mfg | Description | ![]() |
Pricing (USD) |
Quantity | ||||||||||||
|---|---|---|---|---|---|---|---|---|---|---|---|---|---|---|---|---|---|---|
![]() |
![]() MAX561CAI+ |
![]() Maxim Integrated Products |
![]() RS-232 Interface IC 3.3V Transceiver w/2 EIA TIA 562 Rec |
![]() Data Sheet |
![]()
|
|
||||||||||||
![]() |
![]() MAX561CAI+T |
![]() Maxim Integrated Products |
![]() RS-232 Interface IC 3.3V Transceiver w/2 EIA TIA 562 Rec |
![]() Data Sheet |
![]()
|
|
||||||||||||
![]() |
![]() MAX561CAI-T |
![]() Maxim Integrated Products |
![]() RS-232 Interface IC |
![]() Data Sheet |
![]() Negotiable |
|
||||||||||||
![]() |
![]() MAX561CAI |
![]() Maxim Integrated Products |
![]() RS-232 Interface IC |
![]() Data Sheet |
![]() Negotiable |
|
||||||||||||
(China (Mainland))










