Product Summary
The AQV258A is a photoMOS relay. It is used in High-speed inspection machines, Telephone equipment, Data communication equipment.
Parametrics
AQV258A absolute maximum ratings: (1)LED forward current IF: 50mA; (2)LED reverse voltage VR: 3V; (3)Peak forward current IFP: 1A; (4)Power dissipation Pin: 75mW; (5)Load voltage (peak AC) VL: 1500V; (6)Continuous load current IL: 0.02A; (7)Peak load current Ipeak: 0.06A; (8)Power dissipation Pout: 360mW; (9)Total power dissipation PT: 410mW; (10)I/O isolation voltage Viso: 1,500V AC; (11)Operating temperature Topr: –40℃ to +85℃; (12)Storage temperature Tstg: –40℃ to +100℃.
Features
AQV258A features: (1)Highly sensitive and low on-resistance; (2)Controls various types of loads such as relays, motors, lamps and solenoids.; (3)Optical coupling for extremely high isolation; (4)Low-level off state leakage current; (5)Eliminates the need for a power supply to drive the power MOSFET; (6)Low thermal electromotive force.
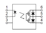
Diagrams

| Image | Part No | Mfg | Description | ![]() |
Pricing (USD) |
Quantity | ||||||||||||
|---|---|---|---|---|---|---|---|---|---|---|---|---|---|---|---|---|---|---|
![]() |
![]() AQV258AX |
![]() Panasonic Electric Works |
![]() Solid State Relays 1500V 20MA 6-SMD Relay OPTO |
![]() Data Sheet |
![]()
|
|
||||||||||||
![]() |
![]() AQV258AZ |
![]() Panasonic Electric Works |
![]() Solid State Relays 1500v 20mA DIP Form A Norm-Open |
![]() Data Sheet |
![]()
|
|
||||||||||||
![]() |
![]() AQV258A |
![]() Panasonic Electric Works |
![]() Solid State Relays 20MA 1500V 6PIN SPST |
![]() Data Sheet |
![]()
|
|
||||||||||||
(China (Mainland))











