Product Summary
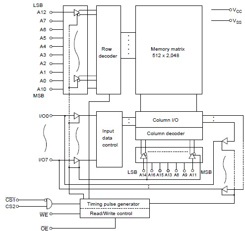
The HM628128DLFP-7UL is an 1-Mbit static RAM organized 131,072-kword 8-bit. HM628128DLFP-7UL has realized higher density, higher performance and low power consumption by employing Hi- CMOS process technology. The HM628128DLFP-7UL offers low power standby power dissipation; therefore, it is suitable for battery backup systems. It has package variations of standard 32-pin plastic DIP, standard 32-pin plastic SOP and standard 32-pin plastic TSOPI.
Parametrics
HM628128DLFP-7UL absolute maximum ratings: (1)Power supply voltage relative to VSS VCC: –0.5 to +7.0 V; (2)Terminal voltage on any pin relative to VSS VT: –0.5 to VCC + 0.3*2 V; (3)Power dissipation PT: 1.0 W; (4)Storage temperature range Tstg: –55 to +125 °C; (5)Storage temperature range under bias Tbias: –20 to +85 °C.
Features
HM628128DLFP-7UL features: (1)Pb-Free Plus Anneal Available (RoHS Compliant)(see Ordering Info); (2)ESD Protection for RS-232 I/O Pins to ±15kV (IEC61000); (3)Manual and Enhanced Automatic Powerdown Features; (4)Drop in Replacements for MAX3225E, MAX3227E, MAX3245E; (5)RS-232 Compatible with VCC = 2.7V; (6)Meets EIA/TIA-232 and V.28/V.24 Specifications at 3V; (7)Latch-Up Free; (8)On-Chip Voltage Converters Require Only Four External 0.1μF Capacitors; (9)Guaranteed Mouse Driveability (ICL3245E); (10)Ready to Transmit Indicator Output (ICL3225E/ICL3227E); (11)Receiver Hysteresis For Improved Noise Immunity; (12)Guaranteed Minimum Data Rate: 1Mbps; (13)Low Skew at Transmitter/Receiver Input Trip Points: 10ns; (14)Guaranteed Minimum Slew Rate: 24V/μs; (15)Wide Power Supply Range: Single +3V to +5.5V; (16)Low Supply Current in Powerdown State: 1μA.
Diagrams

(China (Mainland))






