Product Summary
The PIC18F252-I/SO is a 28/40-pin High Performance, Enhanced FLASH Microcontroller with 10-Bit A/D.
Parametrics
PIC18F252-I/SO absoltue maximum ratings: (1)Ambient temperature under bias: -55 to +125℃; (2)Storage temperature: -65 to +150℃; (3)Voltage on any pin with respect to VSS (except VDD, MCLR, and RA4): -0.3V to (VDD + 0.3V); (4)Voltage on VDD with respect to VSS: -0.3V to +7.5V; (5)Voltage on MCLR with respect to VSS: 0V to +13.25V; (6)Voltage on RA4 with respect to Vss: 0V to +8.5V; (7)Total power dissipation: 0W; (8)Maximum current out of VSS pin: 300 mA; (9)Maximum current into VDD pin: 250 mA; (10)Input clamp current, IIK (VI < 0 or VI > VDD): ±20 mA; (11)Output clamp current, IOK (VO < 0 or VO > VDD): ±20 mA; (12)Maximum output current sunk by any I/O pin: 25 mA; (13)Maximum output current sourced by any I/O pin: 25 mA; (14)Maximum current sunk by PORTA, PORTB, and PORTE(combined): 200 mA; (15)Maximum current sourced by PORTA, PORTB, and PORTE(combined): 200 mA; (16)Maximum current sunk by PORTC and PORTD (combined): 200 mA; (17)Maximum current sourced by PORTC and PORTD(combined): 200 mA.
Features
PIC18F252-I/SO features: (1)High current sink/source 25 mA/25 mA; (2)Three external interrupt pins; (3)Timer0 module: 8-bit/16-bit timer/counter with 8-bit programmable prescaler; (4)Timer1 module: 16-bit timer/counter; (5)Timer2 module: 8-bit timer/counter with 8-bit period register (time-base for PWM); (6)Timer3 module: 16-bit timer/counter; (7)Secondary oscillator clock option - Timer1/Timer3; (8)Two Capture/Compare/PWM (CCP) modules; (9)FLASH/Data EEPROM Retention: > 40 years; (10)Self-reprogrammable under software control; (11)Power-on Reset (POR), Power-up Timer (PWRT) and Oscillator Start-up Timer (OST); (12)Watchdog Timer (WDT) with its own On-Chip RC Oscillator for reliable operation; (13)Programmable code protection; (14)Power saving SLEEP mode.
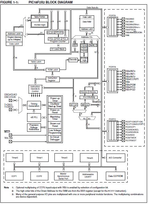
Diagrams

| Image | Part No | Mfg | Description | ![]() |
Pricing (USD) |
Quantity | ||||||||||||
|---|---|---|---|---|---|---|---|---|---|---|---|---|---|---|---|---|---|---|
![]() |
![]() PIC18F252-I/SO |
![]() Microchip Technology |
![]() 8-bit Microcontrollers (MCU) 32KB 1536 RAM 23 I/O |
![]() Data Sheet |
![]()
|
|
||||||||||||
![]() |
![]() PIC18F252-I/SOC09 |
![]() Other |
![]() |
![]() Data Sheet |
![]() Negotiable |
|
||||||||||||
![]() |
![]() PIC18F252-I/SOG |
![]() Microchip Technology |
![]() 8-bit Microcontrollers (MCU) 32KB 1536 RAM 23I/O |
![]() Data Sheet |
![]() Negotiable |
|
||||||||||||
(China (Mainland))










