Product Summary
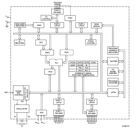
The S87C752-4A28 is an 8-bit microcontroller. The S87C752-4A28 offers many of the advantages of the 80C51 architecture in a small package and at low cost. The S87C752-4A28 is fabricated with Philips high-density CMOS technology. Philips epitaxial substrate minimizes CMOS latch-up sensitivity. The S87C752-4A28 contains a 2k × 8 EPROM, a 64 × 8 RAM, 21 I/O lines, a 16-bit auto-reload counter/timer, a fixed-priority level interrupt structure, a bidirectional inter-integrated circuit (I2C) serial bus interface, an on-chip oscillator, a five channel multiplexed 8-bit A/D converter, and an 8-bit PWM output.
Parametrics
S87C752-4A28 absolute maximum ratings: (1)Storage temperature range: –65 to +150 ℃; (2)Voltage from VCC to VSS: –0.5 to +6.5 V; (3)Voltage from any pin to VSS (except VPP): –0.5 to VCC + 0.5 V; (4)Power dissipation: 1.0 W; (5)Voltage from VPP pin to VSS: –0.5 to + 13.0 V.
Features
S87C752-4A28 features: (1)Available in erasable quartz lid or One-Time Programmable plastic packages; (2)80C51 based architecture; (3)Inter-integrated Circuit (I2C)serial bus interface; (4)2k × 8 ROM (83C752)EPROM (87C752); (5)64 × 8 RAM; (6)16-bit auto reloadable counter/timer; (7)5-channel 8-bit A/D converter; (8)8-bit PWM output/timer; (9)Fixed-rate timer; (10)Boolean processor; (11)CMOS and TTL compatible; (12)Well suited for logic replacement, consumer and industrial applications.
Diagrams

| Image | Part No | Mfg | Description | ![]() |
Pricing (USD) |
Quantity | ||||||||||||||
|---|---|---|---|---|---|---|---|---|---|---|---|---|---|---|---|---|---|---|---|---|
![]() |
![]() S87C752-4A28 |
![]() Other |
![]() |
![]() Data Sheet |
![]() Negotiable |
|
||||||||||||||
| Image | Part No | Mfg | Description | ![]() |
Pricing (USD) |
Quantity | ||||||||||||||
![]() |
![]() S87C196KB16 |
![]() |
![]() IC MCU 16-BIT 5V 8K OTP 80-QFP |
![]() Data Sheet |
![]() Negotiable |
|
||||||||||||||
![]() S87C196KC20 |
![]() |
![]() IC MCU 16-BIT 5V 16K OTP 80-MQFP |
![]() Data Sheet |
![]()
|
|
|||||||||||||||
![]() S87C196KD |
![]() |
![]() IC MCU 16-BIT 5V 32K OTP 80-MQFP |
![]() Data Sheet |
![]() Negotiable |
|
|||||||||||||||
![]() S87C196KD20 |
![]() |
![]() IC MCU 16-BIT 5V 32K OTP 80-MQFP |
![]() Data Sheet |
![]()
|
|
|||||||||||||||
![]() |
![]() S87C196MC |
![]() |
![]() IC MCU 16-BIT 5V 16K OTP 80-MQFP |
![]() Data Sheet |
![]() Negotiable |
|
||||||||||||||
![]() |
![]() S87C196MCSF81 |
![]() |
![]() IC MCU 16-BIT 5V 16K OTP 80-MQFP |
![]() Data Sheet |
![]() Negotiable |
|
||||||||||||||
(China (Mainland))









