Product Summary
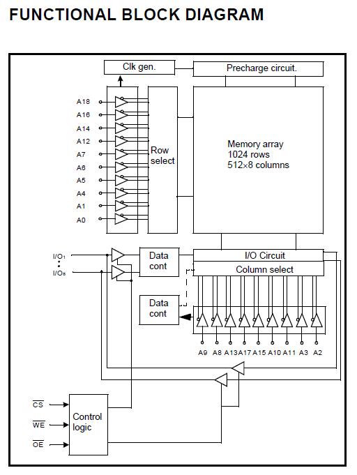
The K6T4008C1B-GF70 is a 512Kx8 bit Low Power CMOS Static RAM. It is fabricated by SAMSUNG’s advanced CMOS process technology. The K6T4008C1B-GF70 support various operating temperature ranges and various package types for user flexibility of system design. It also supports low data retention voltage for battery back-up operation with low data retention current.
Parametrics
K6T4008C1B-GF70 absolute maximum ratings: (1)Voltage on any pin relative to Vss: -0.5 to 7.0 V; (2)Voltage on Vcc supply relative to Vss: -0.5 to 7.0 V; (3)Power Dissipation: 1.0 W; (4)Storage temperature: -65 to 150 ℃; (5)Operating Temperature: 0 to 70 ℃; (6)Soldering temperature and time: 260℃, 10sec(Lead Only).
Features
K6T4008C1B-GF70 features: (1)Process Technology: TFT; (2)Organization: 512Kx8; (3)Power Supply Voltage: 4.5~5.5V; (4)Low Data Retention Voltage: 2V(Min); (5)Three state output and TTL Compatible; (6)Package Type: 32-DIP-600, 32-SOP-525 32-TSOP2-400F/R.
Diagrams

![]() |
![]() K6T4008C1B |
![]() Other |
![]() |
![]() Data Sheet |
![]() Negotiable |
|
||||
![]() |
![]() K6T4008U1C-B |
![]() Other |
![]() |
![]() Data Sheet |
![]() Negotiable |
|
||||
![]() |
![]() K6T4008U1C-F |
![]() Other |
![]() |
![]() Data Sheet |
![]() Negotiable |
|
||||
![]() |
![]() K6T4008V1C-B |
![]() Other |
![]() |
![]() Data Sheet |
![]() Negotiable |
|
||||
![]() |
![]() K6T4008V1C-F |
![]() Other |
![]() |
![]() Data Sheet |
![]() Negotiable |
|
||||
![]() |
![]() K6T4016U3C |
![]() Other |
![]() |
![]() Data Sheet |
![]() Negotiable |
|
||||
(China (Mainland))








